Zhejiang Aokai Electric Co., Ltd היא אחת היצרניות והספקיות המובילות של מגע 300a dc המיושם בציוד מלגזה בסין. אם אתה מתכוון לקנות מגע 300a dc מאושר CE המיושם בציוד מלגזה, מוזמן לקבל מידע נוסף מהמפעל שלנו. שירות טוב ומוצרים איכותיים זמינים.
ADD250-I 24VDC SPST NO DC ממסר ליחידת חשמל של שולחן הרמה

מגע מנוע DC של מלגזה חשמלית
הסדר ליצירת קשר: 1NO
חובת עבודה: עומס 300A לסירוגין
התנגדות בידוד: 100MΩ (1000VDC)
רמת הגנה IP: IP67
מסוף טעינה: חוט חיצוני M6
רטט: 3.5G, 10-200Hz, 1/2 גל סינוס (הפעלה)
הלם: 20G (הפעלה)
לחות יחסית: 5%-95% RH
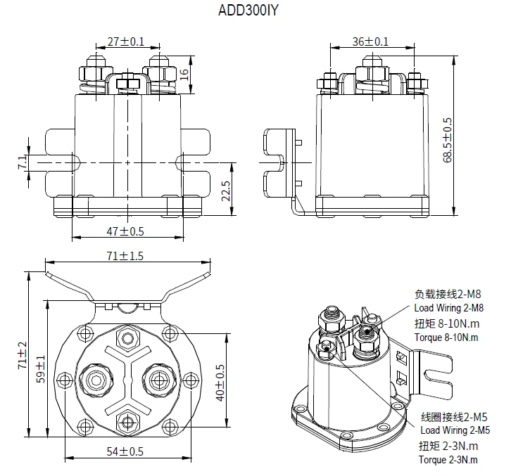
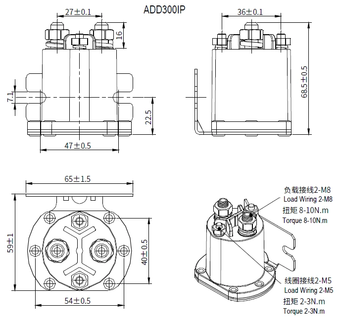
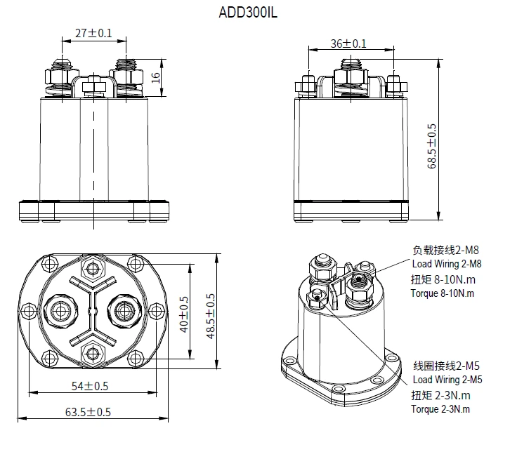
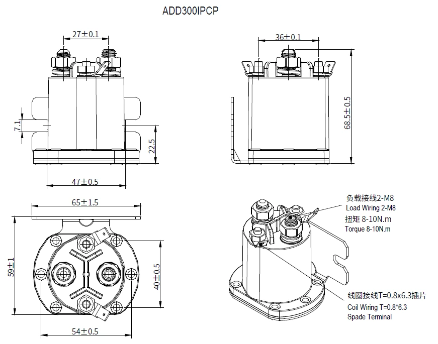
גודל: 71*71*68.5 מ"מ
חיי חשמל: 100,000 מחזורים (12V/300A)
מומנט חיווט עומס: 8 - 10Nm
מומנט חיווט סליל: 2 - 3 ננומטר
תכונות
◪ עומס 300A לסירוגין.
◪ יש לו סט אחד של אנשי קשר פתוחים בדרך כלל.
◪ צריכת חשמל של סליל פחות או שווה ל-24W.
◪ התנגדות הבידוד היא עד 100MΩ (1,000VDC), מתח העמידות בין המגע לסליל הוא 2kV.
◪ רמת הגנה IP: IP67.
◪ תואם לדרישות IEC 60664-1, GB/T14048.1 ו-GB/T14048.4.
◪ תואם לדרישות RoHS (2015/863/EU), REACH (1907/2006/EC).
◪ תעודת בטיחות: CE, RoHS

מפרטים
|
פרמטרי ביצועים (ב-23 מעלות) |
||
|
הסדר יצירת קשר |
1NO |
|
|
צור קשר עם התנגדות |
פחות או שווה ל-5mΩ |
|
|
צור קשר עם נפילת מתח |
פחות או שווה ל-80mV (ב-300A) |
|
|
זרם עומס יתר |
פחות או שווה ל-7le, ≯1s |
|
|
טווח טמפרטורה |
-40 מעלות ~ 55 מעלות |
|
|
טען מסוף |
חוט חיצוני M8 |
|
|
לַחוּת |
5%~95%RH |
|
|
מימד חיצוני |
71 מ"מ*71 מ"מ*68.5 מ"מ |
|
|
חובת הפעלה |
סֵרוּגִי |
|
|
עמידות חשמלית עם עומס (התנגדות) |
גדול או שווה ל-100,000 פעמים |
|
|
מומנט חיווט עומס |
8-10N.m |
|
|
משוך-מתח |
פחות או שווה ל-70% Us |
|
|
נפילת מתח- |
5%-40% אותנו |
|
|
תקופת יציאה ליצירת קשר |
פחות או שווה ל-5ms |
|
|
משוך-בזמן |
פחות או שווה ל-20ms |
|
|
שחרור-זמן קצוב |
פחות או שווה ל-10ms |
|
|
חוזק דיאלקטרי |
בין אנשי קשר ראשיים |
50Hz/60Hz 1,500VAC/1 דקה |
|
בין מגעים ראשיים לסליל |
50Hz/60Hz 1,500VAC/1 דקה |
|
|
בִּדוּד |
מצב ראשוני |
100MΩ 1 דקות |
|
אחרי חיים חשמליים |
50MΩ 1 דקות |
|
|
הֶלֶם |
יַצִיבוּת |
20 גרם (הפעלה) |
|
כּוֹחַ |
50g |
|
|
רֶטֶט |
3.5 גרם, 10~200 הרץ, 1/2 גל סינוס (הפעלה) |
|
|
עמידות מכנית |
גדול או שווה ל-100,000 פעמים |
|
|
מומנט חיווט סליל |
2 - 3 N.m | |
|
פרמטרי סליל ADC300I |
||||
|
מתח סליל |
משוך-מתח |
נפילת מתח- |
התנגדות סליל |
צריכת חשמל של סליל |
|
12V |
פחות או שווה ל-70% Us |
5%-40% לנו |
6Ω±10% |
24W±10% |
|
24V |
פחות או שווה ל-70% Us |
5%-40% לנו |
24Ω±10% |
24W±10% |
|
36V |
פחות או שווה ל-70% Us |
5%-40% לנו |
54Ω±10% |
24W±10% |
|
48V |
פחות או שווה ל-70% Us |
5%-40% לנו |
96Ω±10% |
24W±10% |
|
60V |
פחות או שווה ל-70% Us |
5%-40% לנו |
150Ω±10% |
24W±10% |
|
72V |
פחות או שווה ל-70% Us |
5%-40% לנו |
216Ω±10% |
24W±10% |
מבוא למוצר
מגע DC מסדרה זו נמצא בשימוש נרחב באלקטרומובילים, מלגזות חשמליות, כננות חשמליות, מכונות הנדסיות וכו'.





קידוד דגם

תרשים חיווט

שרטוט מימד של התקנה מתאר
הערה: נתונים אלה מיועדים רק להתייחסות לבחירת הלקוח, AOKAI ניסתה כמיטב יכולתם להבטיח את דיוק המידע. מפרטי המוצר ופרמטרים עשויים להשתנות עקב שיפור המוצר וכו', הם עשויים להיות לא עקביים בגלל אי עדכון בזמן. לפרמטרים ולביצועים הספציפיים של כל מוצר, אנא עיין בדוגמאות שסופקו על ידי AOKAI ובמפרט החתום והמבוקר המקביל.






הערה: נתונים אלה מיועדים רק להתייחסות לבחירת הלקוח, AOKAI ניסתה כמיטב יכולתם להבטיח את דיוק המידע. מפרטי המוצר ופרמטרים עשויים להשתנות עקב שיפור המוצר וכו', הם עשויים להיות לא עקביים בגלל אי עדכון בזמן. לפרמטרים ולביצועים הספציפיים של כל מוצר, אנא עיין בדוגמאות שסופקו על ידי AOKAI ובמפרט החתום והמבוקר המקביל.

תגיות פופולריות: מגע 300a dc מיושם בציוד מלגזה, יצרנים בסין, ספקים, מפעל, CE



