Zhejiang Aokai Electric Co., Ltd היא אחת מהיצרניות והספקיות המובילות של מתג הפעלה של ממסרי add200ij dc חשמלי למלגזה חשמלית הידראולית בסין. אם אתה מתכוון לקנות מתג התנעת מנוע של משאבת שמן dc הידראולית, מוזמן לקבל מידע נוסף מהמפעל שלנו. שירות טוב ומוצרים איכותיים זמינים.
ADD250-I 24VDC SPST NO DC ממסר ליחידת חשמל של שולחן הרמה

מלגזה חשמלית מגע מנוע DC 200 אמפר מגע Aokai
הסדר ליצירת קשר: 1NO
חובת עבודה: עומס 200A לסירוגין
התנגדות בידוד: 100MΩ (1000VDC)
רמת הגנה IP: IP67
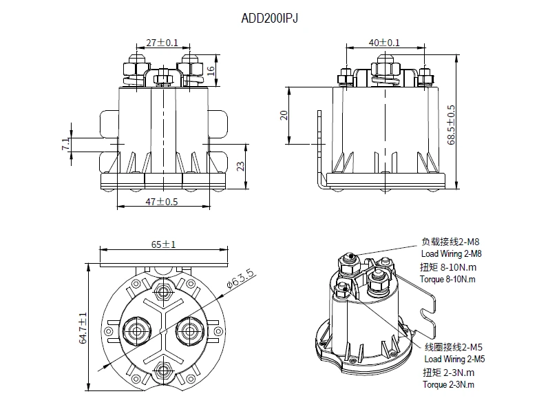
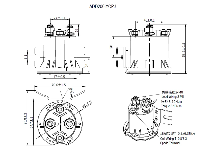
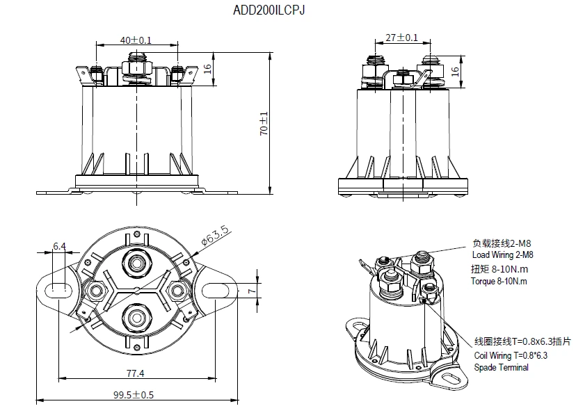
מסוף טעינה: חוט חיצוני M8
רטט: 3.5G, 10-200Hz, 1/2 גל סינוס (הפעלה)
הלם: 20G (הפעלה)
לחות יחסית: 5%-95% RH
מידות: 76.8*70.6*68.5 מ"מ
חיי חשמל: 50,000 מחזורים (48V/200A)
מומנט חיווט עומס: 8 - 10Nm
מומנט חיווט סליל: 2 - 3Nm
תכונות
◪ עומס 200A לסירוגין.
◪ יש לו סט אחד של אנשי קשר פתוחים בדרך כלל.
◪ צריכת חשמל של סליל פחות או שווה ל-24W.
◪ התנגדות הבידוד היא עד 100MΩ (1,000VDC), עמיד במתח
בין המגע לסליל הוא 2kV.
◪ רמת הגנה IP: IP67.
◪ תואם לדרישות IEC 60664-1, GB/T14048.1 ו-GB/T14048.4.
◪ תואם לדרישות RoHS (2015/863/EU), REACH (1907/2006/EC).
◪ תעודת בטיחות: CE, RoHS

מפרטים
|
פרמטרי ביצועים (ב-23 מעלות) |
||
|
הסדר יצירת קשר |
1NO |
|
|
צור קשר עם התנגדות |
פחות או שווה ל-5mΩ |
|
|
צור קשר עם נפילת מתח |
פחות או שווה ל-80mV (ב-200A) |
|
|
זרם עומס יתר |
פחות או שווה ל-7le, ≯1s |
|
|
טווח טמפרטורה |
-40 מעלות ~ 55 מעלות |
|
|
טען מסוף |
חוט חיצוני M8 |
|
|
לַחוּת |
5%~95%RH |
|
|
מימד חיצוני |
76.8 מ"מ*70.6 מ"מ*68.5 מ"מ |
|
|
חובת הפעלה |
סֵרוּגִי |
|
|
עמידות חשמלית עם עומס (התנגדות) |
גדול או שווה ל-50,000 פעמים |
|
|
מומנט חיווט עומס |
8-10N.m |
|
|
משוך-מתח |
פחות או שווה ל-70% Us |
|
|
נפילת מתח- |
5%-40% לנו |
|
|
תקופת יציאה ליצירת קשר |
פחות או שווה ל-5ms |
|
|
משוך-בזמן |
פחות או שווה ל-30ms |
|
|
שחרור-זמן קצוב |
פחות או שווה ל-30ms |
|
|
חוזק דיאלקטרי |
בין אנשי קשר ראשיים |
50Hz/60Hz 1,500VAC/1 דקות |
|
בין מגעים ראשיים לסליל |
50Hz/60Hz 1,500VAC/1 דקות |
|
|
בִּדוּד |
מצב ראשוני |
100MΩ 1 דקות |
|
אחרי חיים חשמליים |
50MΩ 1 דקות |
|
|
הֶלֶם |
יַצִיבוּת |
20 גרם (הפעלה) |
|
כּוֹחַ |
50g |
|
|
רֶטֶט |
3.5 גרם, 10~200 הרץ, 1/2 גל סינוס (הפעלה) |
|
|
עמידות מכנית |
גדול או שווה ל-100,000 פעמים |
|
|
מומנט חיווט סליל |
2 - 3 N.m | |
|
פרמטרי סליל ADC300I |
||||
|
מתח סליל |
משוך-מתח |
נפילת מתח- |
התנגדות סליל |
צריכת חשמל של סליל |
|
12V |
פחות או שווה ל-70% Us |
5%-40% לנו |
6Ω±10% |
24W±10% |
|
24V |
פחות או שווה ל-70% Us |
5%-40% לנו |
24Ω±10% |
24W±10% |
|
36V |
פחות או שווה ל-70% Us |
5%-40% לנו |
54Ω±10% |
24W±10% |
|
48V |
פחות או שווה ל-70% Us |
5%-40% לנו |
96Ω±10% |
24W±10% |
|
60V |
פחות או שווה ל-70% Us |
5%-40% לנו |
150Ω±10% |
24W±10% |
|
72V |
פחות או שווה ל-70% Us |
5%-40% לנו |
216Ω±10% |
24W±10% |
מבוא למוצר
מגע DC מסדרה זו נמצא בשימוש נרחב באלקטרומובילים, מלגזות חשמליות, כננות חשמליות, מכונות הנדסיות וכו'.




קידוד דגם

תרשים חיווט

שרטוט מימד של התקנה מתאר
הערה: נתונים אלה מיועדים רק להתייחסות לבחירת הלקוח, AOKAI ניסתה כמיטב יכולתם להבטיח את דיוק המידע. מוּצָר
מפרטים ופרמטרים עשויים להשתנות עקב שיפור מוצר וכו', הם עשויים להיות לא עקביים בגלל אי עדכון בזמן.
לפרמטרים הספציפיים והביצועים של כל מוצר, אנא עיין בדוגמאות שסופקו על ידי AOKAI ובחתימה המתאימה.
ומפרט מבוקר.






הערה: נתונים אלה מיועדים רק להתייחסות לבחירת הלקוח, AOKAI ניסתה כמיטב יכולתם להבטיח את דיוק המידע.
מפרטי המוצר ופרמטרים עשויים להשתנות עקב שיפור המוצר וכו', הם עשויים להיות לא עקביים בגלל
לא מעודכן בזמן. לפרמטרים הספציפיים והביצועים של כל מוצר, אנא עיין בדוגמאות שסופקו על ידי AOKAI
והמפרט המקביל חתום ומבוקר.

תגיות פופולריות: add200ij dc ממסר טיפול מגע חשמלי למלגזה חשמלית מתג התנעת מנוע משאבת שמן dc הידראולית, יצרנים סין, ספקים, מפעל, CE




